型 号 | 排 量 mL/r(in3/r) | 压力(Mpa) | 转速(RPM) | 尺 寸 | 容积效率 | ||||
P1 | P2 | P3 | 额定 | L(mm) | M(mm) | ||||
CBKA-F0.63** | 0.66(0.040) | 20 | 25 | 28 | 2000 | <4000 | 72.5 | 60.5 | 85% |
CBKA-F0.8** | 0.87(0.053) | 73.3 | 61.3 | ||||||
CBKA-F1.2** | 1.27(0.077) | 74.8 | 62.8 | 86% | |||||
CBKA-F1.6** | 1.66(0.101) | 76.3 | 64.3 | ||||||
CBKA-F2.1** | 2.11(0.129) | 78 | 66 | 88% | |||||
CBKA-F2.5** | 2.51(0.153) | 79.5 | 67.5 | ||||||
CBKA-F2.7** | 2.77(0.169) | 80.5 | 68.5 | ||||||
CBKA-F3.2** | 3.17(0.193) | 82 | 70 | 89% | |||||
CBKA-F3.7** | 3.7(0.225) | 18 | 23 | 26 | 2000 | <3600 | 84 | 72 | |
CBKA-F4.2** | 4.23(0.258) | 86 | 74 | 90% | |||||
CBKA-F5** | 5.0(0.305) | 14 | 18 | 23 | 1500 | <3000 | 89 | 77 | |
CBKA-F6** | 6.0(0.366) | 93 | 81 | ||||||
CBKA-F8** | 8.0(0.488) | 10 | 14 | 18 | 100.5 | 88.5 | |||
- 商品描述
- 商品询价热度
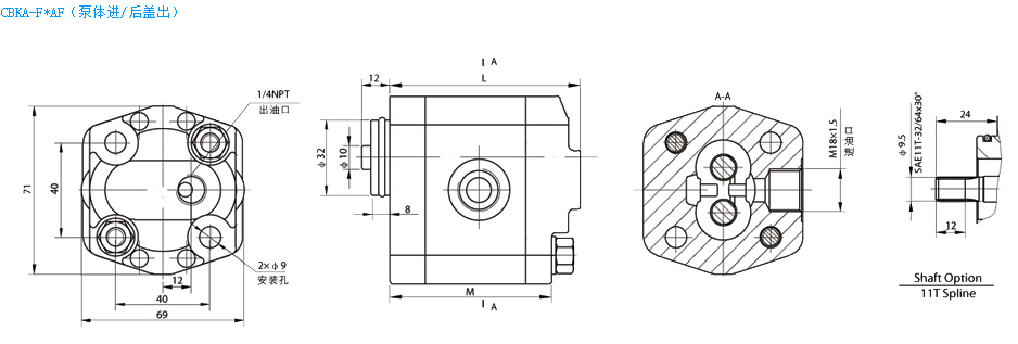
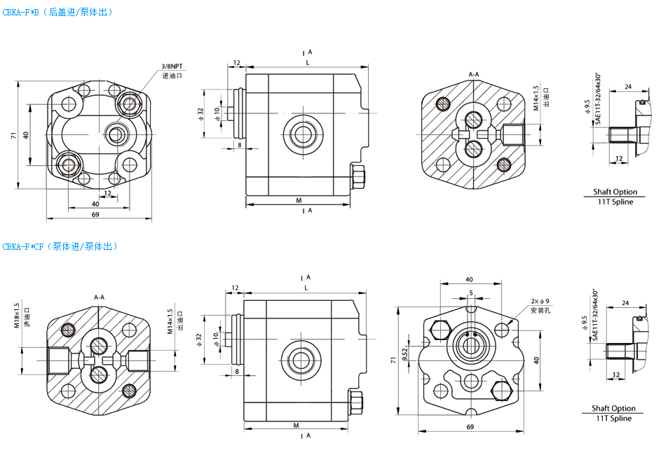
CBKA 齿轮泵
CBKA齿轮泵系高压小排量齿轮油泵,由一对高强度齿轮、轴套、泵体、前盖、后盖等主要部件组成,轴向间隙由高精度浮动轴套自动补偿,使得CBKA齿轮泵具有高的机械效率和容积效率,该泵噪音低、重量功率比小,广泛应用于各种交流和直流液压动力单元和中小型液压系统。
订货时应注意,CBKA系列齿轮泵有顺时针、逆时针两种转向及后盖进/前盖出、泵体进/后盖出、后盖进/泵体出、泵体进/泵体出、后盖进/后盖出五种进出油方式。






线上咨询




